发布时间:2023-07-27 16:42:29


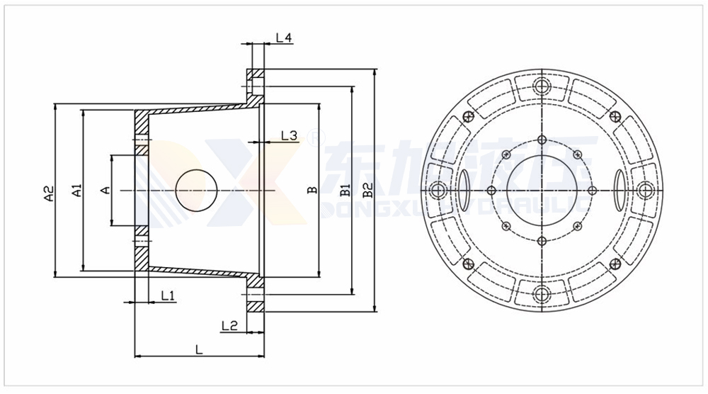
铝合金钟型罩
1、用于连接IEC标准电机和液压油泵
2、钟形罩底部不是实体而是有加强筋的
3、侧面有透气孔,方便观察机器运转情况
4、可用于重复荷,有切边和不切边两种形式
5、可供立式、欧式电机的选择。
GR联轴器
GR联轴器采用优质工程塑料作为联轴器的弹性体,具有补偿两轴相对偏移、缓冲、减震、耐磨性能,适应场合普遍,传递转矩20-3500.N.M,工作温度-35~+80摄氏度并与德国POTEX联轴器互换。此类联轴器非常适用于载荷多变的高速设备上。

钟形罩联轴器选型介绍
选型前请提供液压泵参数

钟形罩图纸

钟形罩型号参数


GR联轴器图纸

GR联轴器型号参数

联轴器选型

